產品詳情
板式換熱器-BR0.2
板式換熱器是液—液、液—汽進行熱交換的理想設備。它具有換熱效率高、熱損失小、結構緊湊輕巧、占地面積小、安裝清洗方便、應用范圍廣泛、使用壽命長等特點。 在相同壓力損失情況下,其傳熱系數比管式換熱器高.
一、板式換熱器分類
1、按板片材質分為:SUS304、SUS316、鈦板
2、按膠墊材料分為:丁晴橡膠(NBR)、三元乙丙橡膠(EPDM)、氟橡膠(TP)
3、按單片面積分為:0.15 m2、0.24 m2、0.65 m2、0.85m2 、1.54m2 、1.8m2
4、按支架材質分為:鐵支架、不銹鋼支架
二、板式換熱器用途

.應用于冶金、礦山、石油、化工、電力、醫藥、食品、化纖、造紙、輕紡、船舶、供熱等部門,可用于加熱、冷卻、蒸發、冷凝、殺菌消毒、余熱回收等.情況。
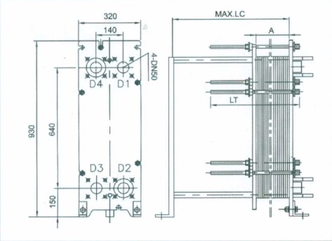
三、板式換熱器結構
板式換熱器是由固定擋板、板片、移動擋板、立柱、上導軌、下導軌及固定螺栓組成。在固定擋板及移動擋板之間是一系列被固定的板片。每片板片均有墊圈,所以板片間構成相互平行的封閉流道,介質在每兩塊板片之間交替流動。
四、板式換熱器特點
1、節能:其換熱系數在3000~4500kcal/m2·°C·h,比管殼式換熱器的熱效率高。
2、結構緊湊:板式換熱器板片緊密排列,與其他換熱器類型相比,板式換熱器的占地面積和占用空間較少。
3、容易清洗拆裝方便:板式換熱器靠夾緊螺栓將夾固板板片夾緊,因此拆裝方便,隨時可以打開清洗,同時由于板面光潔,湍流程度高,不易結垢。
4、使用壽命長:板式換熱器采用不銹鋼或鈦合金板片壓制,可耐腐蝕介質,膠墊可隨意更換,并可方便在、拆裝檢修。
5、適應性強:板式換熱器板片為獨立元件,可按要求增減流程,形式多樣;可適用于不同的、工藝的要求。
6、不串液,板式換熱器密封槽設置泄液液道,介質不會串通,即使出現泄露,介質總是向外排出。
五、板式換熱器技術參數
|
型號 |
BR-0.06 |
BR-0.12 |
BR-0.2 |
BR-0.3 |
|
單片換熱面積(m2) |
0.06 |
0.12 |
0.2 |
0.3 |
|
波紋形狀 |
人字形 |
人字形 |
人字形 |
人字形 |
|
板片厚度(mm) |
0.6 |
0.7 |
0.7 |
0.7 |
|
膠墊形式 |
搭扣式 |
搭扣式 |
搭扣式 |
搭扣式 |
|
接管直徑(mm) |
32 |
38 |
51/80 |
51/100 |
|
工作壓力(Mpa) |
1.0 |
1.0 |
1.0 |
1.0 |
|
工作溫度(℃) |
150 |
150 |
150 |
150 |
溫馨提示:
1、圖表中的板式換熱器參數均為標準配置,如客戶另有要求,請提出。
2、板式換熱器選型需提供的工藝參數:物料性質、流量、換熱溫度、特殊要求等。
板式換熱器結構示意圖:

六、板式換熱器成品圖


七、惠合實力展示
【惠合設計團隊】

【惠合工廠展示】

【安裝調試圖片展示】

【選擇惠合的6大理由】
1、惠合公司設有銷售部、工程部、售后部,我們都為您服務;
2、我們拼的不是價格,而是質量及友好的服務;
3、我們的業務員和工程師會耐心聽完你的要求及想要達到的效果,為您物料量身定做;
4、我們的售后同事會從你下單到使用到實際生產服務于您;
5、15年行業經驗;
6、工廠、辦公室現場參觀。
八、惠合產品質量及服務介紹
惠合生產的不銹鋼容器產品包裝是采用防震泡沫紙或呢絨袋或用木箱包裝進行封裝的,這樣包裝可以保護產品.
惠合機械主營產品圖片展示
- 果汁加工設備以及使用注意事項
- 硅藻土過濾器故障排除及處理方法
- 硅藻土過濾器技術參數
- 簡述水處理設備常見的故障排除方...
- 乳酸菌飲料衛生標準【GB 16...
- 冷凍飲品衛生標準【GB 275...
- 食品機械設備選型的基本要求
- 硅藻土過濾器安裝使用說明書

電話號碼:0571-81604278
0571-86578098
傳真號碼:0571-81604276手機號碼:152 6811 6877
電子郵箱:huihe@hhmachine.cn
公司名稱:杭州惠合食品科技有限公司














